Aptomat ELCB EBS32Fb 2P 30A 30mA 5kA LS là thiết bị bảo vệ điện được sử dụng phổ biến trong các hệ thống điện để bảo vệ con người và thiết bị khỏi nguy cơ chập điện, rò rỉ điện và các sự cố khác.
ELCB EBS32Fb thường được sử dụng bảo vệ chống rò điện trong các hệ thống điện ở các hộ gia đình, xưởng sản xuất nhỏ, nhà máy, chung cư, tòa nhà cao tầng,…
Kích thước nhỏ gọn, khối lượng chỉ khoảng 400g với đầy đủ các chức năng bảo vệ dòng rò, bảo vệ ngắn mạch, bảo vệ quá tải. Thời gian cắt bảo vệ rò điện gần như ngay lập tức (≤ 0.03 giây)

>> Liên hệ ngay để được TƯ VẤN VÀ BÁO GIÁ TỐT QUA TẠI ĐÂY
Thông số kỹ thuật của Aptomat ELCB EBS32Fb 2P 30A 30mA 5kA LS
- Frame size: 30AF
- Dòng định mức In: 30A
- Dải điện áp hoạt động Ue: AC 100-220V
- Tần số: 50/60Hz
- Số cực: 2P
- Dòng rò: 30mA
- Thời gian cắt bảo vệ rò điện 30mA: ≤ 0.03 giây
- Dòng ngắn mạch tại 220VAC: 5kA
- Ics/Icu: Ics = 100% Icu
- Chức năng: Bảo vệ chống dòng rò, bảo vệ ngắn mạch, bảo vệ quá tải
- Độ bền cơ khí: 25.000 lần đóng cắt, độ bền điện: 10.000 lần đóng cắt
- Trọng lượng: 0,4kg
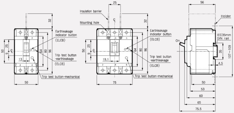
- Kích thước(Rộng x Cao x Sâu): 50 x 96 x 75,5 (mm)
- Tiêu chuẩn: IEC 60947-2
Thông số kỹ thuật chi tiết của EBS32Fb 2P:

Kích thước của EBS32Fb 2P:

Bảng giá, catalog của Aptomat MCCB & ELCB LS
Bảng giá Thiết bị điện LS 15-04-2024
Catalog ABS-Fb & EBS-Fb hãng LS
ĐIỆN CÔNG NGHIỆP BTE – NHÀ PHÂN PHỐI VÀ LẮP ĐẶT THIẾT BỊ ĐIỆN LS
HOTLINE: 0936 137 836
EMAIL: bte.diencongnghiep@gmail.com
FACEBOOK: Điện công nghiệp hạ thế, trung thế BTE
Địa chỉ: Số 222 Lê Duẩn, Phường Bắc Sơn, Quận Kiến An, TP. Hải Phòng









Reviews
There are no reviews yet.