Bộ điều khiển ATS ACD-M Osung được sử dụng để điều khiển ATS, thay thế mã cũ ACD-III, giúp tự động chuyển đổi nguồn giữa nguồn lưới với nguồn máy phát (dự phòng) hay giữa 2 nguồn lưới với nhau, đảm bảo nguồn điện được cấp liên tục, ổn định.


> Liên hệ ngay để được TƯ VẤN VÀ BÁO GIÁ TỐT QUA TẠI ĐÂY
Chức năng & thông số kỹ thuật của Bộ điều khiển ATS ACD-M Osung
Bộ điều khiển ACD-M chức năng cơ bản tương tự như ACD-M, được nâng cấp thêm như có màn hình Led, điều khiển từ xa RS485, chức năng chuyển đổi, bảo vệ tốt hơn.

- Bộ điều khiển ATS 3 vị trí ON – OFF – ON gắn trên mặt tủ điện
- Điều khiển ATS bằng 2 chế độ Auto – Manual
- Chức năng tự động chọn nguồn điều khiển cho ATS
- Điện áp đầu vào: L-N 110~270V, 50~60Hz
- Màn hình Led, cồng giao tiếp kết nối RS485
- Tích hợp chức năng bảo vệ:
– Quá áp – thấp áp
– Mất pha – ngược pha
– Tần số - Kết nối được với PC, thay đối các giá trị cài đặt thời gian chuyển mạch, điện áp bảo vệ, ngõ ra điều khiển
- Kích thước: (W)169.3mm x (H)88.7mm x (D)57mm
- Trọng lượng : 1.0 Kg
- Tiêu chuẩn: KC-EMC
Bảng so sánh chi tiết chức năng của ACD-M và ACD-III Osung
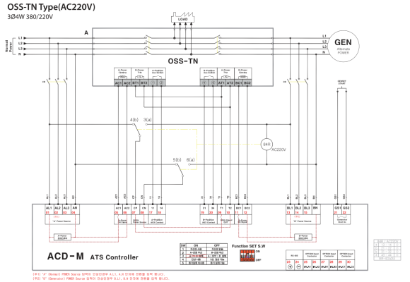
Sơ đồ đấu dây của bộ điều khiển ACD-M:
- OSS-TN Type (AC220V) Position (On-Off-On/ A-off-B):

- OSS-TN Type (AC220V) Position (On-On/ A-B):

- OSS-PC Type (AC220V) Position (On-On/ A-B):

Catalog và Hướng dẫn sử dụng của ACD-M:
Catalog Bộ điều khiển ACD-M Osung
Hướng dẫn sử dụng Bộ điều khiển ACD-M
ĐIỆN CÔNG NGHIỆP BTE – NHÀ PHÂN PHỐI BỘ ĐIỀU KHIỂN – ATS HÃNG OSUNG
Hotline: 0936 137 836
Email: bte.diencongnghiep@gmail.com
Facebook: Điện công nghiệp hạ thế, trung thế BTE
Văn phòng: 129/280 Trần Nguyên Hãn, Niệm Nghĩa, Lê Chân, Tp.Hải Phòng














